МЯСОРУБКА МИМ-350
Максимальная производительность, кг/ч, не менее
300
Производительность при повторном измельчении котлетной массы, кг/ч, не менее
100
Номинальная потребляемая мощность, кВт
1,91
Установленная мощность, кВт
1,5
Габаритные размеры, мм, не более:
длина
ширина
высота
555
475
411
Питающая электросеть:
род тока
номинальное
напряжение, В
частота тока, Гц
трехфазный
переменный
380
50
Масса, кг, не более
36
Частота вращения шнека, об/мин
185
Тип подачи
ручной
Наличие реверса
да
Материал корпус
алюминий
Материал корпуса
нержавеющая сталь
Материал облицовки
нержавеющая сталь
Материал шнека
алюминий
Материал зажимной гайки
алюминий
МЯСОРУБКА МИМ-350
Оставить заявку
*Практическая производительность мясорубки зависит от скорости подачи оператором порезанного кусочками продукта к шнеку, сортности перерабатываемого мяса, качества заточки инструмента.
Обозначение
Наименование
 Количество штук на мясорубку   
МИМ-350  
Примечание
МИМ-350
Привод
МИМ-300
МИМ-350.05.000
Собственно мясорубка

в составе: корпус, шнек, гайка зажимная, нож двусторонний (2 шт.), нож подрезной, решетка №2, решетка №3, кольцо упорное
1
Зажим
2
Устройство ввода:

- щиток (защитный бокс) типа 3SD6 компании SASSIN

- выключатель автоматический типа ВА47-29, 3 полюса, 400В, 50 Гц, характеристика «С»

ТУ 2000 АИГЕ.641.235.003



Устройство ввода указанных параметров является обязательной частью машины. Нарушение этого требования может привести к выходу машины из строя.
1
Примечание:
комплектуется
заказчиком
Кабель Н05VV5-F 5G1 (либо другой с аналогичными характеристиками)
3,2 м
для подсоединения мясорубки к автоматическому выключателю
Комплект сменных деталей
МИМ-300.01.002
Кольцо упорное
1
Решётка № 1                                                                                                                   

(отверстие диаметром 3 мм)
1   поставляется по отдельному заказу за дополнительную плату
Предприятие освоило производство новой мясорубки МИМ-350, предназначенной для измельчения мяса и рыбы, повторного измельчения котлетной массы на предприятиях общественного питания.

Выпускается в климатическом исполнении У по ГОСТ 15150-69 для эксплуатации при температуре от плюс 1 до плюс 40°С.

Мясорубка МИМ-350 производится в соответствии с требованиями стандарта СТБ ISO 9001-2015.

В случае остановки шнека при переработке мясопродуктов низкого качества на мясорубке МИМ-350 предусмотрен режим "Реверс". Нажатием на кнопку «Реверс» можно вернуть продукт в загрузочную горловину и затем отправить его на повторную переработку или удалить из мясорубки без разбора узла: ножи-решётки-шнек.

Мясорубка МИМ-350 выпускается с облицовкой из нержавеющей стали. Облегчённая конструкция несущей рамы и минимальное количество деталей делают машину легче и удобнее при эксплуатации.

В мясорубке МИМ-350 применён червячный редуктор, обеспечивающий плавную, бесшумную работу, и обладающий повышенным крутящим моментом на выходном валу, что позволяет перерабатывать даже сильно жилованное мясо.

Установленный вентилируемый трёхфазный двигатель гарантирует непрерывную многочасовую работу.
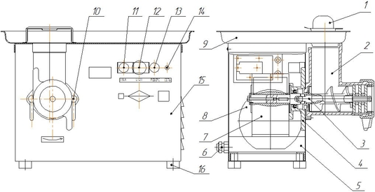
Устройство и работа мясорубки

Мясорубка состоит из собственно мясорубки и привода. Собственно мясорубка в сборе состоит из алюминиевого корпуса, в котором вращается шнек, зажимной гайки, двусторонних ножей, набора ножевых решеток, кольца упорного и ножа подрезного.
1- Толкач; 2- Собственно мясорубка.
Привод: 3 - Вал приводной; 4 - Фланец; 5 - Рама; 6 - Зажим заземляющий; 7 - Червячный редуктор; 8 - Электродвигатель;
9 - Чаша с предохранителем; 10- Зажим; 11- Кнопка «Пуск»; 12 - Кнопка «Стоп»; 13 - Кнопка «Реверс»; 14 - Индикатор «Сеть»
15 - Облицовка; 16 - Опора.
Крепление корпуса, производится резьбовыми зажимами.

Над загрузочным отверстием расположен несъемный предохранитель, исключающий возможность попадания руки обслуживающего персонала к шнеку мясорубки.

Мясо или рыба очищается от костей, нарезается на кусочки массой не более 0,1 кг. Рекомендуемая температура обрабатываемого продукта должна быть (8±2)0С. С перерабатываемого продукта удаляются соединительные ткани, сухожилия.

Перерабатываемый продукт из чаши вручную подается к горловине корпуса мясорубки, а затем толкачем к вращающемуся шнеку. Увлекаемый шнеком продукт проходит последовательно через набор режущих инструментов.

Для получения фарша разной степени измельчения мясорубка снабжена набором ножевых решеток с отверстиями различных размеров. Решетки вставляются в корпус мясорубки и удерживаются от проворачивания шпонкой.
Наиболее эффективный режим работы мясорубки достигается при установке набора режущего инструмента для крупного измельчения.
Параметры решеток
Параметры решёток
Номер решетки
1 (по заказу)
2
3
Наружный диаметр, мм
82
82
82
Диаметр отверстий, мм
3
5
9
Количество отверстий
217
90
30
Не допускается продолжительная работа мясорубки вхолостую (без загрузки продукта), т.к. при возникшем сухом трении зажатые ножи и решетки выходят из строя.
Заточка ножей и решеток
1 - Нож подрезной; 2 – Решетка; 3 – Нож двусторонний
Транспортировка

Машина должна транспортироваться от места получения до места установки и монтажа в упаковке предприятия-изготовителя. После распаковки машины необходимо проверить комплектность поставки согласно п 1.3 Руководства по эксплуатации.
Монтаж

Все работы по подсоединению машины к электрической сети и пуску в эксплуатацию должны быть выполнены представителем обслуживающей специализированной организации, в соответствии с действующими в Республике Беларусь: "Правила устройства электроустановок", ТКП 191-2009 "Правила технической эксплуатации электроустановок потребителей", "Межотраслевые правила по охране труда", либо в соответствии с аналогичными действующими нормативными документами страны-импортёра.
Гарантийные обязательства

Гарантийный срок - 24 месяца (срок гарантии на абразивный диск не распространяется). Гарантийный срок исчисляется со дня ввода машины в эксплуатацию, но не позднее 6 месяцев со дня приобретения машины.

Предприятие-изготовитель в период гарантийного срока устраняет отказы и неисправности в работе оборудования только при условии:

Соблюдения всех требований "Руководства по эксплуатации" машины.
Монтаж и ввод в эксплуатацию произведен специалистами сервисного центра, либо специалистами другой организации с письменного разрешения предприятия-изготовителя.
Передачи (пересылки) предприятию-изготовителю копии оформленного в полном объеме "Акта ввода оборудования в эксплуатацию" в течение 10 дней со дня ввода машины в эксплуатацию для постановки оборудования на гарантийный учет.
Проведение ежемесячного технического обслуживания согласно "Руководства по эксплуатации".
Передачи (пересылки) предприятию-изготовителю оформленного в полном объеме "Акта-рекламации".
Работы по ежемесячному техническому обслуживанию, в соответствии с требованиями "Руководства по эксплуатации", не являются работами по гарантии и производятся за счет потребителя специализированными организациями по предварительно заключенному договору между ними.

При нарушении хотя бы одного из вышеуказанных пунктов предприятие-изготовитель снимает с себя гарантийные обязательства.

Примечание: оформленные "Акт ввода оборудования в эксплуатацию" и "Акт-рекламация" должны быть заверены печатью потребителя и предприятия, производящего ввод в эксплуатацию или ремонт и техническое обслуживание.
У вас остались вопросы?
Оставьте контакты и мы вам перезвоним
Оставьте контакты и мы вам перезвоним
Наш адрес:
Россия, г. Смоленск, Лавочкина, д. 104
помещение 13
Наш email: