МАШИНЫ ОЧИСТКИ КОРНЕПЛОДОВ МОК-150У И МОК-300У
*Производительность проверяется при 90% полностью очищенного картофеля. Очищенным считается клубень, у которого кожура сохраняется в углублениях, а на остальной поверхности клубня имеется не более трех участков с кожурой, наибольший размер которых от 1 до 3 мм (значения показателей по корнеплодам (свекла, морковь) не устанавливаются).
Производительность кг/ч, не менее*
МОК-300У МОК-150У
300               150
Степень очистки продукта, %, не менее*
90                 90
Количество одновременно загружаемого продукта
 (картофеля), кг, не более
10                  7
Величина отходов картофеля при очистке, %,
не более
20               20
Вращающийся диск (покрыт абразивным материалом – карбид кремния F14 ГОСТ Р 52381-2005), шт.
2                 2
Стенки рабочей камеры
сетка из
нержавеющейстали
Мезгосборник
(из нержавеющей стали)
да            да
Сливной патрубок для удаления кожуры и воды
(расположен на боковой
стенке)
да            да
Номинальная потребляемая мощность, кВт,
не более
0,75      0,51
Установленная мощность, кВт
0,55      0,37
Габаритные размеры, мм, не более:
длина
ширина
высота
580       580
480       480
850       800
Питающая электросеть:
род тока
номинальное
напряжение, В
частота тока, Гц
трехфазный
переменный
380
50
Расход холодной воды,
л/кг, не более
1,0        1,0
Общая продолжительность цикла обработки
(с учетом загрузки и
выгрузки), мин, не более
2,0       2,0
Масса, кг, не более
35        34
МАШИНЫ ОЧИСТКИ КОРНЕПЛОДОВ МОК-150У И МОК-300У
Оставить заявку
Обозначение
Наименование
Количество штук на машину
МОК-300У
МОК-150У
МОК-300У
Машина очистки корнеплодов в составе: сетка, диск абразивный, мезгосборник
1
МОК-150У
1
Комплект запасных частей
МОК-300У-01.30.000
Диск абразивный
​1
1
1
Монтажные части
Хомут червячный 3/4''- 11/8''
​1
1
1

Устройство ввода с установленным автоматическим выключателем типа ВА 47-29 400 В, ~50 Гц, 3 полюса, время-токовая характеристика «C», ТУ 2000 АГИЕ.641.235.003

1,6 А

2,0 А



Автоматический выключатель указанного номинала является обязательной частью машины. Нарушение этого требования может привести к выходу машины из строя

Устройство ввода с установленным автоматическим выключателем типа ВА 47-29 400 В, ~50 Гц, 3 полюса, время-токовая характеристика «C», ТУ 2000 АГИЕ.641.235.003

1,6 А

2,0 А



Автоматический выключатель указанного номинала является обязательной частью машины. Нарушение этого требования может привести к выходу машины из строя



1

Примечание:
комплектуется заказчиком
1

Примечание:
комплектуется заказчиком
Щиток открытой установки типа 3SD6 с «нулевой» шиной и шиной заземления
1
Примечание:
комплектуется заказчиком
1
Примечание:
комплектуется заказчиком

Кабель H05VV5-F5G1 (либо другой с аналогичными характеристиками)
общая длина
3,6 м
Примечание: для подсоединения машины к автоматическому выключателю
общая длина
3,6 м
Примечание: для подсоединения машины к автоматическому выключателю
Дюбель распорный

Саморез с шестигранной головкой 10х90

Шайба А.10.21.08Х18Н10 ГОСТ 11371-78
4
4
4​
4


4



4
4
4
4
4


4



4
Комплект тары
Ящик упаковочный
1
1
Документация
МОК-300У,
МОК-150У РЭ

Руководство по эксплуатации 
1
1
МОК-300У,
МОК-150У Д1
Памятка по обращению с машинами очистки корнеплодов
1
(в составе РЭ)
1
(в составе РЭ)
1
(в составе РЭ)
МОК-300У,
МОК-150У Д2
Инструкция по технике безопасности при эксплуатации машин очистки корнеплодов
1
(в составе РЭ)
1
(в составе РЭ)
1
(в составе РЭ)
1
(в составе РЭ)
Предназначены для очистки картофеля и корнеплодов (свекла, морковь) от кожуры на предприятиях общественного питания и торговли. Выполнены в напольном варианте с облицовкой из нержавеющей стали.

Мезгосборник в комплекте!

С ноября 2016 года машины очистки корнеплодов МОК-150У и МОК-300У изготавливаются с новой дверцей разгрузочного люка, новым механизмом запирания и комплектуется новым абразивным диском, изготовленным из высокопрочного и малоизнашивающегося материала. Следует отметить, что новый абразивный диск не требует балансировки.

Выпускаются в исполнении УХЛ4 по ГОСТ 15150-69 для эксплуатации при температуре от плюс 1 до плюс 35 °С.

Машины очистки корнеплодов МОК-150У и МОК-300У производятся в соответствии с требованиями стандарта СТБ ISO 9001-2015
Машины очистки корнеплодов МОК-150У и МОК-300У были созданы специально для рынка Евросоюза в соответствии с европейскими требованиями и уже положительно себя зарекомендовали среди европейских покупателей.

Основные отличительные особенности машин очистки корнеплодов МОК-150У и МОК-300У от выпускаемых машин картофелеочистительных МОК-150М и МОК-300М:

  1. Боковой сливной патрубок (выполнен из нержавеющей стали) позволяет устанавливать под него мезгосборник (выполнен из нержавеющей стали, поставляется в комплекте).
  1. Встроено реле времени, позволяющее устанавливать режим оптимальной очистки и экономить электроэнергию.
Устройство и работа машины очистки корнеплодов

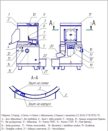
Машина состоит из корпуса с сеткой, крышки загрузочной, двигателя и мезгосборника.
Работа машины основана на снятии кожуры с картофеля и других корнеплодов путем механического воздействия очищающих рабочих органов.

Процесс очистки состоит в механическом воздействии на продукт рабочих органов (чаши абразивной и внутренней камеры с отверстиями) и воды. Мезга удаляется через отверстие на дне машины по сливному патрубку в канализацию напрямую или через мезгосборник, который устанавливается под сливным патрубком машины.

Рукояткой реле времени выставить необходимое время цикла работы. Включить машину нажатием кнопки "ПУСК". Через отверстие в воронке пустить в корпус воду из расчета общего расхода не более одного литра воды на килограмм очищаемого продукта.

Открыть крышку загрузочной воронки и загрузить в корпус предварительно вымытый и очищенный от посторонних примесей продукт. Закрыть крышку.

Производить очистку продукта и следить за нормальным выводом из машины воды и мезги. Необходимо периодически очищать сетку мезгосборника.

Степень очистки определяется визуально. После окончания процесса очистки установить под лотком разгрузочного люка емкость для сбора очищенного продукта, перекрыть подачу воды в корпус, осторожно открыть дверцу разгрузочного люка и выгрузить очищенный продукт.

После выгрузки всей порции продукта закрыть дверцу разгрузочного люка. Для очистки следующей порции продукта повторить операции. По окончании очистки выключить машину нажатием кнопки "СТОП" и прекратить подачу воды в корпус.

В конце работы отключить автоматический выключатель.

Очищенный продукт подвергается доочистке (удаление "глазков" и оставшейся кожуры) вручную.

Место установки машины должно гарантировать сохранность и обеспечивать удобство работы при ее эксплуатации и техническом обслуживании, а также должно соответствовать санитарным нормам, требованиям пожарной безопасности и техники безопасности, а также монтажной схемы.

Машина должна содержаться в чистоте и быть полностью укомплектована. Допускается использовать для очистки волосяные щетки и ветошь.
Транспортировка

Машина должна транспортироваться от места получения до места установки и монтажа в упаковке предприятия-изготовителя. После распаковки машины необходимо проверить комплектность поставки согласно п 1.3 Руководства по эксплуатации.
Гарантийные обязательства

Гарантийный срок - 24 месяца (срок гарантии на абразивный диск не распространяется). Гарантийный срок исчисляется со дня ввода машины в эксплуатацию, но не позднее 6 месяцев со дня приобретения машины.

Предприятие-изготовитель в период гарантийного срока устраняет отказы и неисправности в работе оборудования только при условии:

Соблюдения всех требований "Руководства по эксплуатации" машины.
Монтаж и ввод в эксплуатацию произведен специалистами сервисного центра, либо специалистами другой организации с письменного разрешения предприятия-изготовителя.
Передачи (пересылки) предприятию-изготовителю копии оформленного в полном объеме "Акта ввода оборудования в эксплуатацию" в течение 10 дней со дня ввода машины в эксплуатацию для постановки оборудования на гарантийный учет.
Проведение ежемесячного технического обслуживания согласно "Руководства по эксплуатации".
Передачи (пересылки) предприятию-изготовителю оформленного в полном объеме "Акта-рекламации".
Работы по ежемесячному техническому обслуживанию, в соответствии с требованиями "Руководства по эксплуатации", не являются работами по гарантии и производятся за счет потребителя специализированными организациями по предварительно заключенному договору между ними.

При нарушении хотя бы одного из вышеуказанных пунктов предприятие-изготовитель снимает с себя гарантийные обязательства.

Примечание: оформленные "Акт ввода оборудования в эксплуатацию" и "Акт-рекламация" должны быть заверены печатью потребителя и предприятия, производящего ввод в эксплуатацию или ремонт и техническое обслуживание.
Монтаж

Место установки машины должно гарантировать сохранность и обеспечивать удобство работы при ее эксплуатации и техническом обслуживании, а также должно соответствовать санитарным нормам, требованиям пожарной безопасности, техники безопасности и монтажной схемы.

Машина устанавливается на фундамент и крепится к нему четырьмя саморезами, дюбелями и шайбами.

Все работы по подсоединению машины к электрической сети и пуску в эксплуатацию должны быть выполнены представителем обслуживающей специализированной организации, в соответствии с действующими в Республике Беларусь: "Правила устройства электроустановок", "Правила технической эксплуатации электроустановок потребителей", "Межотраслевые правила по охране труда", либо в соответствии с аналогичными действующими нормативными документами страны-импортера.
У вас остались вопросы?
Оставьте контакты и мы вам перезвоним
Оставьте контакты и мы вам перезвоним
Наш адрес:
Россия, г. Смоленск, Лавочкина, д. 104
помещение 13
Наш email: