МАШИНЫ КАРТОФЕЛЕОЧИСТИТЕЛЬНЫЕ МОК-150М И МОК-300М
Производительность кг/ч, не менее*
МОК-150М    МОК-300М
150                       300
Время на обработку, мин., не более
2,0
Количество продукта (картофель), загружаемого
в рабочую камеру, кг, не более*
7                           10
Количество дисков, шт
2                            2
Установленная мощность, кВт
0,55
Номинальная потребляемая мощность, кВт
0,75
Питающая электросеть:
род тока
номинальное напряжение, В
частота тока, Гц
трехфазный, переменный
380
50
Габаритные размеры, мм, не более:
длина
ширина
высота
650                 650
410                 410
835                 870
Масса, кг, не более
42                    46
*Производительность проверяется при 90% полностью очищенного картофеля. Очищенным считается клубень, у которого кожура сохраняется в углублениях, а на остальной поверхности клубня имеется не более трех участков с кожурой, наибольший размер которых от 1 до 3 мм (значения показателей по корнеплодам (свекла, морковь) не устанавливаются).
МАШИНЫ КАРТОФЕЛЕОЧИСТИТЕЛЬНЫЕ МОК-150М И МОК-300М
Оставить заявку
Документация
МОК-150М РЭ
Руководство по эксплуатации (РЭ)
1
1
МОК-150М Д1
МОК-300М Д1
Памятка по обращению с машинами картофелеочистительными
1
(в составе РЭ)
1
(в составе РЭ)
МОК-150М Д1
МОК-300М Д1
 Инструкция по технике безопасности при эксплуатации машин картофелеочистительных
1
(в составе РЭ)
1
(в составе РЭ)
Обозначение
Наименование
Количество штук на машину
Количество штук на машину
МОК-150М
МОК-300М
МОК-150М
Машина картофелеочистительная в составе: сетка, диск абразивный, мезгосборник
1
МОК-300М
1
Комплект запасных частей
МОК-300У-01.30.000
Диск абразивный
Диск абразивный
1
1
Монтажные части
Устройство ввода с установленным автоматическим выключателем ВА 47-29, 230/400 В, ~50 Гц, 3 полюса, 2А, время-токовая характеристика «С»

ТУ2000 АГИЕ.641.235.003

Автоматический выключатель указанного номинала является обязательной частью машины. Нарушение этого требования может привести к выходу машины из строя.
Устройство ввода с установленным автоматическим выключателем ВА 47-29, 230/400 В, ~50 Гц, 3 полюса, 2А, время-токовая характеристика «С»

ТУ2000 АГИЕ.641.235.003

Автоматический выключатель указанного номинала является обязательной частью машины. Нарушение этого требования может привести к выходу машины из строя.
1

Примечание:
комплектуется заказчиком
1

Примечание:
комплектуется заказчиком

Щиток открытой установки 3SD6 с «нулевой шиной» и шиной заземления для трёхполюсного выключателя
1

Примечание:
комплектуется заказчиком
1

Примечание:
комплектуется заказчиком
Кабель H05VV5-F5G1 (либо другой с аналогичными характеристиками)







Дюбель распорный

Саморез с шестигранной головкой 10х90

Шайба А.10.21.08Х18Н10 ГОСТ 11371-78
Кабель H05VV5-F5G1 (либо другой с аналогичными характеристиками)













Дюбель распорный

Саморез с шестигранной головкой 10х90

Шайба А.10.21.08Х18Н10 ГОСТ 11371-78
3,6 м

Примечание: для подсоединения машины к автоматическому выключателю

4

4

4
3,6 м

Примечание: для подсоединения машины к автоматическому выключателю





4


4


4
3,6 м

Примечание: для подсоединения машины к автоматическому выключателю

4

4

4
3,6 м

Примечание: для подсоединения машины к автоматическому выключателю





​4


4


4
Комплект тары
Ящик упаковочный
1
1
Машины картофелеочистительные МОК-150М и МОК-300М предназначены для очистки картофеля и корнеплодов (свекла, морковь) от кожуры на предприятиях общественного питания. Выполнены в напольном варианте, с облицовкой из нержавеющей стали.
В СОСТАВ МАШИН ВХОДИТ МЕЗГОСБОРНИК!

С ноября 2016 года картофелечистки МОК-150М и МОК-300М изготавливаются с новой дверцей разгрузочного люка, новым механизмом запирания и комплектуется новым абразивным диском, изготовленным из высокопрочного малоизнашивающегося материала. Следует отметить, что новый абразивный диск не требует балансировки.
Машины выпускаются в исполнении УХЛ4 по ГОСТ 15150-69 для эксплуатации при температуре от плюс 1 до плюс 35 °С.

Машины картофелеочистительные МОК-150М и МОК-300М производятся в соответствии с требованиями стандарта СТБ ISO 9001-2015.
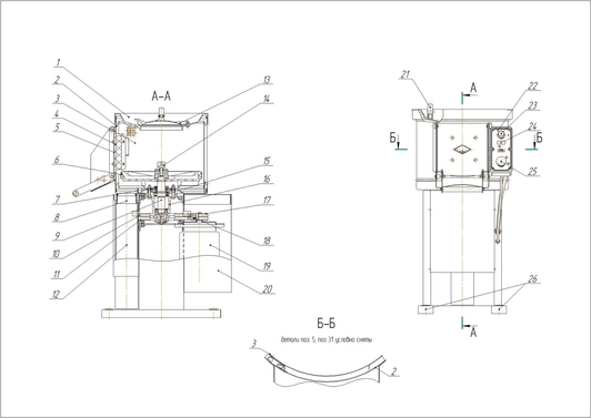
Устройство и работа машины картофелеочистительной

Машина состоит из корпуса с сеткой, воронки для загрузки продукта, станины и привода.
1 - Воронка; 2 - Корпус; 3 - Сетка; 4 - Уплотнение дверцы; 5 - Люк разгрузочный; 6 – Диск абразивный; 7 - Манжета; 8 - Патрубок; 9 – Вал;
10 - Ремень клиновой (Z(0)-670Вн ГОСТ 1284.1-89); 11 - Шкив ведомый; 12 - Шланг сливной; 13 – Крышка; 14 – Винт с левой резьбой;
15 - Подшипники (ГОСТ 8882-75 180205, 180206); 16 – Стакан с подшипниками; 17 – Шкив ведущий; 18 –Болт натяжной ремня;
19 - Электродвигатель; 20 - Кожух; 21 – Ниппель; 22 - Пульт управления; 23 - Кнопка «ПУСК»; 24 - Индикатор; 24 - Кнопка «СТОП»; 26- Станина.
Работа машины основана на снятии кожуры с картофеля и других корнеплодов путем механического воздействия очищающих рабочих органов.

Включить машину нажатием кнопки "ПУСК", установленной на пульте. Через отверстие в воронке пустить в корпус вода из расчета общего расхода не более одного литра воды на килограмм очищаемого продукта (давление воды 260 кПа).

Открыть крышку воронки и загрузить в корпус предварительно вымытый и очищенный от посторонних примесей продукт. Закрыть крышку. Производить очистку продукта и следить за нормальным выводом из машины воды с мезгой.

После окончания процесса очистки установить под лотком разгрузочного люка емкость для сбора очищенного продукта, перекрыть подачу воды в корпус, осторожно открыть дверцу разгрузочного люка и выгрузить очищенный продукт. Степень очистки определяется визуально.

Мезга удаляется через отверстие на дне машины по сливному шлангу.

После выгрузки всей порции продукта закрыть дверцу разгрузочного люка. Для очистки следующей порции продукта повторить операции. По окончании очистки выключить машину нажатием кнопки "СТОП", установленной на пульте, и прекратить подачу воды в корпус.

В конце работы отключить автоматический выключатель.

Очищенный продукт подвергается дочистке (удаление "глазков" и оставшейся кожуры) вручную.

Машина должна содержаться в чистоте и быть полностью укомплектована. Допускается использовать для очистки волосяные щетки и ветошь.
Транспортировка

Машина должна транспортироваться от места получения до места установки и монтажа в упаковке предприятия-изготовителя. После распаковки машины необходимо проверить комплектность поставки согласно п 1.3 Руководства по эксплуатации.
Монтаж

Место установки машины должно гарантировать сохранность и обеспечивать удобство работы при ее эксплуатации и техническом обслуживании, а также должно соответствовать санитарным нормам, требованиям пожарной безопасности, техники безопасности и монтажной схемы.

Машина устанавливается на фундамент высотой 100 мм над уровнем пола и крепится к нему четырьмя анкерными болтами М12.

Все работы по подсоединению машины к электрической сети и пуску в эксплуатацию должны быть выполнены представителем обслуживающей специализированной организации, в соответствии с действующими в Республике Беларусь: "Правилами устройства электроустановок", "Правилами технической эксплуатации электроустановок потребителей", "Межотраслевыми правилами по охране труда", либо в соответствии с аналогичными действующими нормативными документами страны-импортера.
1 - Машина МОК-150М или МОК-300М; 2 - Выключатель автоматический; 3 - Магистраль холодной воды; 4 - Резиновый шланг; 5 - Канализационный трап
Гарантийные обязательства

Гарантийный срок - 24 месяца (срок гарантии на абразивный диск не распространяется). Гарантийный срок исчисляется со дня ввода машины в эксплуатацию, но не позднее 6 месяцев со дня приобретения машины.

Предприятие-изготовитель в период гарантийного срока устраняет отказы и неисправности в работе оборудования только при условии:

Соблюдения всех требований "Руководства по эксплуатации" машины.
Монтаж и ввод в эксплуатацию произведен специалистами сервисного центра, либо специалистами другой организации с письменного разрешения предприятия-изготовителя.
Передачи (пересылки) предприятию-изготовителю копии оформленного в полном объеме "Акта ввода оборудования в эксплуатацию" в течение 10 дней со дня ввода машины в эксплуатацию для постановки оборудования на гарантийный учет.
Проведение ежемесячного технического обслуживания согласно "Руководства по эксплуатации".
Передачи (пересылки) предприятию-изготовителю оформленного в полном объеме "Акта-рекламации".
Работы по ежемесячному техническому обслуживанию, в соответствии с требованиями "Руководства по эксплуатации", не являются работами по гарантии и производятся за счет потребителя специализированными организациями по предварительно заключенному договору между ними.

При нарушении хотя бы одного из вышеуказанных пунктов предприятие-изготовитель снимает с себя гарантийные обязательства.

Примечание: оформленные "Акт ввода оборудования в эксплуатацию" и "Акт-рекламация" должны быть заверены печатью потребителя и предприятия, производящего ввод в эксплуатацию или ремонт и техническое обслуживание.
У вас остались вопросы?
Оставьте контакты и мы вам перезвоним
Оставьте контакты и мы вам перезвоним
Наш адрес:
Россия, г. Смоленск, Лавочкина, д. 104
помещение 13
Наш email: