ЛУКОЧИСТКА! МАШИНА ОЧИСТКИ КОРНЕПЛОДОВ МОК-400Л
Производительность, кг/ч, не менее
260
Степень очистки продукта, %, не менее*
80
Количество одновременно загружаемого продукта, кг, не более
8,5
Величина отходов продукта при очистке, %, не более
32
Номинальная потребляемая мощность, кВт, не более
0,78
Установленная мощность, кВт
0,55
Габаритные размеры, мм, не более:
длина
ширина
высота
595
530
830
Питающая электросеть:
род тока
номинальное напряжение, В
частота тока, Гц
трехфазный
переменный
40
50
Расход холодной воды, л/кг, не более
1,5
Продолжительность цикла обработки, с, не более
85/70
Масса, кг, не более
40
Пульт управления
Верхняя крышка
Выносной на лотке
Электрическая блокировка
ЛУКОЧИСТКА! МАШИНА ОЧИСТКИ КОРНЕПЛОДОВ МОК-400Л
Оставить заявку
*-Производительность проверяется при 90% полностью очищенного продукта. Очищенным считается продукт, на поверхности которого имеется не более трех участков с кожурой, наибольший размер которых не более 11 мм. После очистки лук может иметь небольшие царапины.
Обозначение
Наименование
Количество штук на машину
МОК-400Л
МОК-400Л
Машина очистки корнеплодов в составе: сетка, диск
1
Провод ПВС 4х1,0+1,0, черный (либо другой с аналогичными характеристиками для подсоединения машины к автоматическому выключателю), общая длина, м
3,6
Примечание:
для подсоединения машины к автоматическому выключателю
МС-3
Мезгосборник
1
Комплект монтажных частей
Болт анкерный с гайкой 10х50, шт
4
Шланг наливной для стиральной машины (1 м)
Устройство ввода с установленным автоматическим выключателем типа ВА 47-29, 400В, ~50 Гц, 3 полюса, 2,0 А, время-токовая характеристика «С», ТУ 2000 АГИЕ.641.235.003

Автоматический выключатель указанного номинала является обязательной частью машины. Нарушение этого требования может привести к выходу машины из строя.
Устройство ввода с установленным автоматическим выключателем типа ВА 47-29, 400В, ~50 Гц, 3 полюса, 2,0 А, время-токовая характеристика «С», ТУ 2000 АГИЕ.641.235.003

Автоматический выключатель указанного номинала является обязательной частью машины. Нарушение этого требования может привести к выходу машины из строя.
Щиток открытой установки 3SD6 с «нулевой шиной» и шиной заземления для трехполюсного автоматического выключателя
1



1
Примечание:
комплектуются заказчиком





1
Примечание:
комплектуются заказчиком
Комплект тары
МИМ-1000.20.001
Ящик упаковочный
1
Документация
МОК-400Л РЭ
МОК-400Л Д1
МОК-400Л Д2
Руководство по эксплуатации
Памятка по обращению с машинами очистки корнеплодов
Инструкция по технике безопасности при эксплуатации машин очистки корнеплодов
1
1
(в составе РЭ)
1
(в составе РЭ)
Машина очистки корнеплодов МОК-400Л предназначена для очистки лука и других корнеплодов механическим воздействием очищающих инструментов на продукт на предприятиях общественного питания. Выполнена в напольном варианте, с облицовкой из нержавеющей стали.

Цельная конструкция корпуса! МЕЗГОСБОРНИК В КОМПЛЕКТЕ!

Изготавливается с новой дверцей разгрузочного люка, новым механизмом запирания и комплектуется специальным абразивным диском, изготовленным из высокопрочного малоизнашивающегося материала. Следует отметить, что новый абразивный диск не требует балансировки.

Выпускается в исполнении УХЛ 4 по ГОСТ 15150-69 для эксплуатации при температуре от плюс 1 до плюс 35 °С, в соответствии с требованиями стандарта СТБ ISO 9001-2015, имеет Декларацию о соответствии Евразийского экономического союза (Приложение), Сертификат соответствия директивам Евросоюза - CE, ДЕКЛАРАЦIЮ ПРО ВIДПОВIДНIСТЬ ПРОДУКЦII ВИМОГАМ ТЕХНIЧНИХ РЕГЛАМЕНТIВ.
Наименование параметра
МОК-400Л
Производительность кг/ч, не менее
460
Степень очистки продукта, %, не менее*
90
Количество одновременно загружаемого продукта, кг, не более*
11
Величина отходов продукта при очистке, %, не более*
17
*- Значения параметров устанавливаются по картофелю. Производительность проверяется при 90% полностью очищенного картофеля. Очищенным считается продукт, у которого кожура сохраняется в углублениях, а на остальной поверхности клубня имеется не более трех участков с кожурой, наибольший размер которых от 1 до 3 мм.
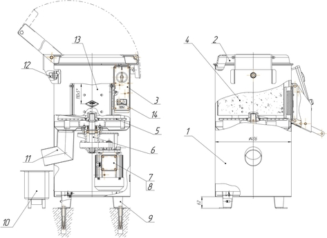
Устройство и работа машины очистки корнеплодов

Машина состоит из корпуса с сеткой, крышки, двигателя и мезгосборника.
ДОПОЛНИТЕЛЬНАЯ ФУНКЦИЯ КАРТОФЕЛЕЧИСТКИ!

Для переработки картофеля и других корнеплодов необходимо приобрести и установить сетку МОК-400.50.000 и диск абразивный МОК-400.60.000. Установка данной сетки не потребует дополнительного инструмента и доработки машины.
1 - Корпус; 2 - Крышка; 3 - Пульт управления; 4 - Сетка; 5 - Диск; 6 - Вал;
7 - Привод; 8 - Электрооборудование; 9 - Кронштейн; 10 - Мезгосборник; 11 - Патрубок сливной;
12 - Ниппель переходной; 13 - Люк разгрузочный; 14 - Кнопка "Пуск-Стоп" с индикатором "Сеть"
Работа машины основана на снятии кожуры с лука и других корнеплодов путем механического воздействия очищающих рабочих органов.

Через шланг с ниппелем пускается в корпус вода из расчета общего расхода не более полутора литров воды на килограмм очищаемого продукта (давление воды 260 кПа).

Открыв крышку загрузочную, в корпус загрузить предварительно вымытый и очищенный от посторонних примесей продукт (лук очистить до донцев и шеек). Закрыть крышку. Открыть подачу воды. Рукояткой реле времени выставить необходимое время цикла работы. Включить машину нажатием кнопки "ПУСК".

Производить очистку продукта и следить за нормальным выводом из машины воды с мезгой. Необходимо периодически очищать сетку мезгосборника.

После окончания процесса очистки установить под лотком разгрузочного люка емкость для сбора очищенного продукта, перекрыть подачу воды в корпус, осторожно открыть дверцу разгрузочного люка и выгрузить очищенный продукт. Степень очистки определяется визуально.

После выгрузки всей порции продукта необходимо закрыть дверцу разгрузочного люка. Для очистки следующей порции продукта повторить операции. По окончании очистки необходимо выключить машину нажатием кнопки "СТОП" и прекратить подачу воды в корпус. В конце работы отключить автоматический выключатель.

Машина должна содержаться в чистоте и быть полностью укомплектована. Допускается использовать для очистки волосяные щетки и ветошь. При проведении санитарной обработки вручную необходимо осторожно обращаться с диском.
Транспортировка

Машина должна транспортироваться от места получения до места установки и монтажа в упаковке предприятия-изготовителя. После распаковки машины необходимо проверить комплектность поставки согласно п 1.3 Руководства по эксплуатации.
Монтаж

Место установки машины должно гарантировать сохранность и обеспечивать удобство работы при ее эксплуатации и техническом обслуживании, а также должно соответствовать санитарным нормам, требованиям пожарной безопасности, техники безопасности и монтажной схемы.
Машина устанавливается на фундамент и крепится к нему четырьмя анкерными болтами.
Гарантийные обязательства

Гарантийный срок - 24 месяца (срок гарантии на абразивный диск не распространяется). Гарантийный срок исчисляется со дня ввода машины в эксплуатацию, но не позднее 6 месяцев со дня приобретения машины.

Предприятие-изготовитель в период гарантийного срока устраняет отказы и неисправности в работе оборудования только при условии:

  1. Соблюдения всех требований "Руководства по эксплуатации" машины.
  2. Монтаж и ввод в эксплуатацию произведен специалистами сервисного центра, либо специалистами другой организации с письменного разрешения предприятия-изготовителя.
  3. Передачи (пересылки) предприятию-изготовителю копии оформленного в полном объеме "Акта ввода оборудования в эксплуатацию" в течение 10 дней со дня ввода машины в эксплуатацию для постановки оборудования на гарантийный учет.
  4. Проведение ежемесячного технического обслуживания согласно "Руководства по эксплуатации".
  5. Передачи (пересылки) предприятию-изготовителю оформленного в полном объеме "Акта-рекламации".

Работы по ежемесячному техническому обслуживанию, в соответствии с требованиями "Руководства по эксплуатации", не являются работами по гарантии и производятся за счет потребителя специализированными организациями по предварительно заключенному договору между ними.

При нарушении хотя бы одного из вышеуказанных пунктов предприятие-изготовитель снимает с себя гарантийные обязательства.

Примечание: оформленные "Акт ввода оборудования в эксплуатацию" и "Акт-рекламация" должны быть заверены печатью потребителя и предприятия, производящего ввод в эксплуатацию или ремонт и техническое обслуживание.
Все работы по подсоединению машины к электрической сети и пуску в эксплуатацию должны быть выполнены представителем обслуживающей специализированной организации, в соответствии с действующими в Республике Беларусь: "Правилами устройства электроустановок", ТКП 181-2009 "Правилами технической эксплуатации электроустановок потребителей", "Межотраслевыми правилами по охране труда", либо в соответствии с аналогичными действующими нормативными документами страны-импортера.
У вас остались вопросы?
Оставьте контакты и мы вам перезвоним
Оставьте контакты и мы вам перезвоним
Наш адрес:
Россия, г. Смоленск, Лавочкина, д. 104
помещение 13
Наш email: