МАШИНЫ ДЛЯ ИЗМЕЛЬЧЕНИЯ МЯСА МИМ-80 И МИМ-80-01
Максимальная производительность, кг/ч, не менее
МИМ-80;          МИМ-80-01
80;                           80
Производительность при повторном измельчении котлетной массы, кг/ч, не менее
26;                          26
Номинальная потребляемая мощность, кВт
0,81;                   0,82
Установленная мощность, кВт
0,55;                  0,55
Габаритные размеры, мм, не более:
длина
ширина
высота
450
300
580
Питающая электросеть:
род тока
номинальное
напряжение, В
частота тока, Гц
переменный; 3-фазный переменный
220;                   380
50;                     50
Масса, кг, не более
20;                    19
Частота вращения шнека, об/мин
187
МАШИНЫ ДЛЯ ИЗМЕЛЬЧЕНИЯ МЯСА МИМ-80 И МИМ-80-01
Оставить заявку
*Практическая производительность мясорубки зависит от скорости подачи оператором порезанного кусочками продукта к шнеку, сортности перерабатываемого мяса, качества заточки инструмента.
Обозначение
Обозначение
Наименование
 Количество на машину, шт
МИМ-80
МИМ-80-01
МИМ-80
МИМ
-80
Привод
1
1
МИМ-80.33.000
МИМ-
80.33.000
Чаша
1
1
МИМ-
80.31.000
Мясорубка в составе: корпус, шнек, гайка зажимная, нож двусторонний, нож подрезной, решетка № 2, кольцо упорное
1
1
МИМ-300.38.000
Зажим
Устройство ввода с установленным автоматическим выключателем типа ВА 47-29, 50Гц, время-токовая характеристика «С», ~230/400 ТУ 2000 АГИЕ.641.235.003

2 полюса 5,0А 230В

3 полюса 2,0А 400В

Устройство ввода указанных параметров является обязательной частью машины. Нарушение этого требования может привести к выходу машины из строя.


Кабель H05VV5-F 5G1 (либо другой с аналогичными характеристиками для подсоединения мясорубки к автоматическому выключателю), общая длина, м

Кабель H05VV5-F 5G (либо другой с аналогичными характеристиками), общая длина, м
Устройство ввода с установленным автоматическим выключателем типа ВА 47-29, 50Гц, время-токовая характеристика «С», ~230/400 ТУ 2000 АГИЕ.641.235.003

2 полюса 5,0А 230В

3 полюса 2,0А 400В

Устройство ввода указанных параметров является обязательной частью машины. Нарушение этого требования может привести к выходу машины из строя.


Кабель H05VV5-F 5G1 (либо другой с аналогичными характеристиками для подсоединения мясорубки к автоматическому выключателю), общая длина, м

Кабель H05VV5-F 5G (либо другой с аналогичными характеристиками), общая длина, м
2
1
комплектуется заказчиком
3,2
2
1
комплектуется заказчиком
3,2
Комплект сменных частей
Решетка № 3
1
1
1
Комплект принадлежностей
МИМ-80.00.015

МА-С.00.14

МИМ-80.31.007

МИМ-80.04.000
МИМ-80.00.015

МА-С.00.14


​МИМ-80.31.007

​МИМ-80.04.000
Съемник

Насадка для начинки колбас

Кольцо 

Втулка
Съемник


Насадка для начинки колбас


Кольцо 



Втулка
1
1
1
1
1
1
1
1
Комплект тары
МИМ-80.90.000
МИМ-80.90.000-01
Коробка упаковочная
Коробка упаковочная
1
1
Документация
МИМ-80 РЭ

МИМ-80
(МИМ-80-01) Д1

МИМ-80
(МИМ-80-01) Д2
Руководство по эксплуатации (РЭ)
Памятка по обращению с машиной
Инструкция по технике безопасности при эксплуатации машины
1
1
(в составе РЭ)
1
(в составе РЭ)
1
1
(в составе РЭ)
1
(в составе РЭ)
Машины для измельчения мяса МИМ-80 и МИМ-80-01 предназначены для измельчения мяса и рыбы на фарш, повторного измельчения котлетной массы и набивки колбас на предприятиях общественного питания.

Выпускаются с облицовкой из нержавеющей стали, в исполнении УХЛ4 по ГОСТ 15150-69 для эксплуатации при температуре от плюс 1 до плюс 35°С.

Машины для измельчения мяса МИМ-80 и МИМ-80-01 производятся в соответствии с требованиями стандарта СТБ ISO 9001-2015.

Выполнены в однофазном и трехфазном исполнении для включения в сеть переменного тока.

Машины для измельчения мяса МИМ-80 и МИМ-80-01 оснащены функцией "Реверс", которая позволяет при наматывании жил освободить шнек без дополнительной разборки машин.

Установленный червячный редуктор обеспечивает бесшумную, плавную и равномерную работу машин, улучшает их эксплуатационные свойства и увеличивает продолжительность работы. В процессе работы машин отпадает необходимость в проведении регулировок, а потребность в выполнении текущего ремонта значительно уменьшается.
Устройство и работа машин

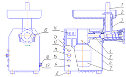
Машины состоят из собственно мясорубки и привода. Собственно мясорубка в сборе состоит из алюминиевого корпуса, в котором вращается шнек, зажимной гайки, двустороннего ножа, решетки, кольца упорного и ножа подрезного.
1- Толкач; 2 – Чаша с предохранителем; 3- Мясорубка.
Привод: 4-Вал приводной; 5- Редуктор; 6- Облицовка; 7 - Электродвигатель; 8- Амортизатор; 9- Арматура светосигнальная «Сеть»; 10- Кнопка «Реверс»; 11- Кнопка «Стоп»; 12- Кнопка «Пуск»; 13- Облицовка задняя; 14- Блок зажимов; 15- Зажим; 16- Кабельный ввод; 17- Зажим эквипотенциальный
Крепление корпуса, производится резьбовыми зажимами.

Над загрузочным отверстием расположен несъемный предохранитель, исключающий возможность попадания руки обслуживающего персонала к шнеку работающей машины.

Мясо или рыба очищается от костей, нарезается на кусочки массой не более 0,05 кг. С перерабатываемого продукта удаляются соединительные ткани, сухожилия.

Перерабатываемый продукт из чаши вручную подается к горловине корпуса мясорубки, а затем толкачем к вращающемуся шнеку. Увлекаемый шнеком продукт проходит последовательно через набор режущих инструментов.

Для получения фарша разной степени измельчения мясорубка снабжена набором ножевых решеток с отверстиями различных размеров. Решетки вставляются в корпус мясорубки и удерживаются от проворачивания шпонкой.
Примечание: в машине однофазного исполнения для увеличения вращающего момента двигателя применено его форсированное включение. Двигатель вращается с большим моментом во время кратковременного удержания в нажатом состоянии кнопки "ПУСК"
(до 1 сек.), либо кнопки "Реверс" (до 3 сек.). Длительная работа двигателя в форсированном режиме недопустима из-за возможности его перегрева.
Параметры решеток
Параметры решёток
Номер решетки
​2
2
3
Наружный диаметр, мм
60
60
60
Диаметр отверстий, мм
5
5
9
Количество отверстий
42
12
Не допускается продолжительная работа мясорубки вхолостую (без загрузки продукта), т.к. при возникшем сухом трении зажатые ножи и решетки выходят из строя.
Заточка ножей и решеток
1 - Нож подрезной; 2 – Решетка; 3 – Нож двусторонний
Транспортировка

Машина должна транспортироваться от места получения до места установки и монтажа в упаковке предприятия-изготовителя. После распаковки машины необходимо проверить комплектность поставки согласно п 1.3 Руководства по эксплуатации.
Монтаж

Все работы по подсоединению машины к электрической сети и пуску в эксплуатацию должны быть выполнены представителем обслуживающей специализированной организации, в соответствии с действующими в Республике Беларусь: "Правила устройства электроустановок", ТКП 191-2009 "Правила технической эксплуатации электроустановок потребителей", "Межотраслевые правила по охране труда", либо в соответствии с аналогичными действующими нормативными документами страны-импортёра.
Гарантийные обязательства

Гарантийный срок - 24 месяца (срок гарантии на абразивный диск не распространяется). Гарантийный срок исчисляется со дня ввода машины в эксплуатацию, но не позднее 6 месяцев со дня приобретения машины.

Предприятие-изготовитель в период гарантийного срока устраняет отказы и неисправности в работе оборудования только при условии:

Соблюдения всех требований "Руководства по эксплуатации" машины.
Монтаж и ввод в эксплуатацию произведен специалистами сервисного центра, либо специалистами другой организации с письменного разрешения предприятия-изготовителя.
Передачи (пересылки) предприятию-изготовителю копии оформленного в полном объеме "Акта ввода оборудования в эксплуатацию" в течение 10 дней со дня ввода машины в эксплуатацию для постановки оборудования на гарантийный учет.
Проведение ежемесячного технического обслуживания согласно "Руководства по эксплуатации".
Передачи (пересылки) предприятию-изготовителю оформленного в полном объеме "Акта-рекламации".
Работы по ежемесячному техническому обслуживанию, в соответствии с требованиями "Руководства по эксплуатации", не являются работами по гарантии и производятся за счет потребителя специализированными организациями по предварительно заключенному договору между ними.

При нарушении хотя бы одного из вышеуказанных пунктов предприятие-изготовитель снимает с себя гарантийные обязательства.

Примечание: оформленные "Акт ввода оборудования в эксплуатацию" и "Акт-рекламация" должны быть заверены печатью потребителя и предприятия, производящего ввод в эксплуатацию или ремонт и техническое обслуживание.
У вас остались вопросы?
Оставьте контакты и мы вам перезвоним
Оставьте контакты и мы вам перезвоним
Наш адрес:
Россия, г. Смоленск, Лавочкина, д. 104
помещение 13
Наш email: